Front Panel
Tiger City IMX Industrial Computer with Linux OS
View of the front panel
Components of the front panel
DIP switches
The device has DIP switches on the front panel which enable the control of various key functions such as:
- booting mode choice
- microUSB signal choice
- choosing Linux console or RS232 signal
- user-written code
DIP switches placement on the front panel
Switch options
|
Switch No. |
Positions |
Description |
|
1 |
OFF - eMMC boot ON - SD card boot |
Boot select - switching between booting device |
|
2 |
OFF - USB1 OTG ON - UART4 (Linux console) |
USB select - microUSB signal choice |
|
3 |
OFF - UART1 (SOM user) ON - UART4 (Linux console) |
RS232 - SOM UART RS232 select |
|
4 |
OFF - UART2 RS232 user ON - ESP32 console |
RS232 - SOM UART RS232/ESP32 select |
|
5 |
Unassigned |
Currently not used |
|
6-8 |
OFF/ON |
User options |
Connections diagram

Expander D
User-defined DIP switch options are connected to the expander D which is connected to the CPU via the I2C3 interface.
USB1
The USB MUX select 1 and the USB MUX select 2 signals are connected to the multiplexer A associated with USB1.
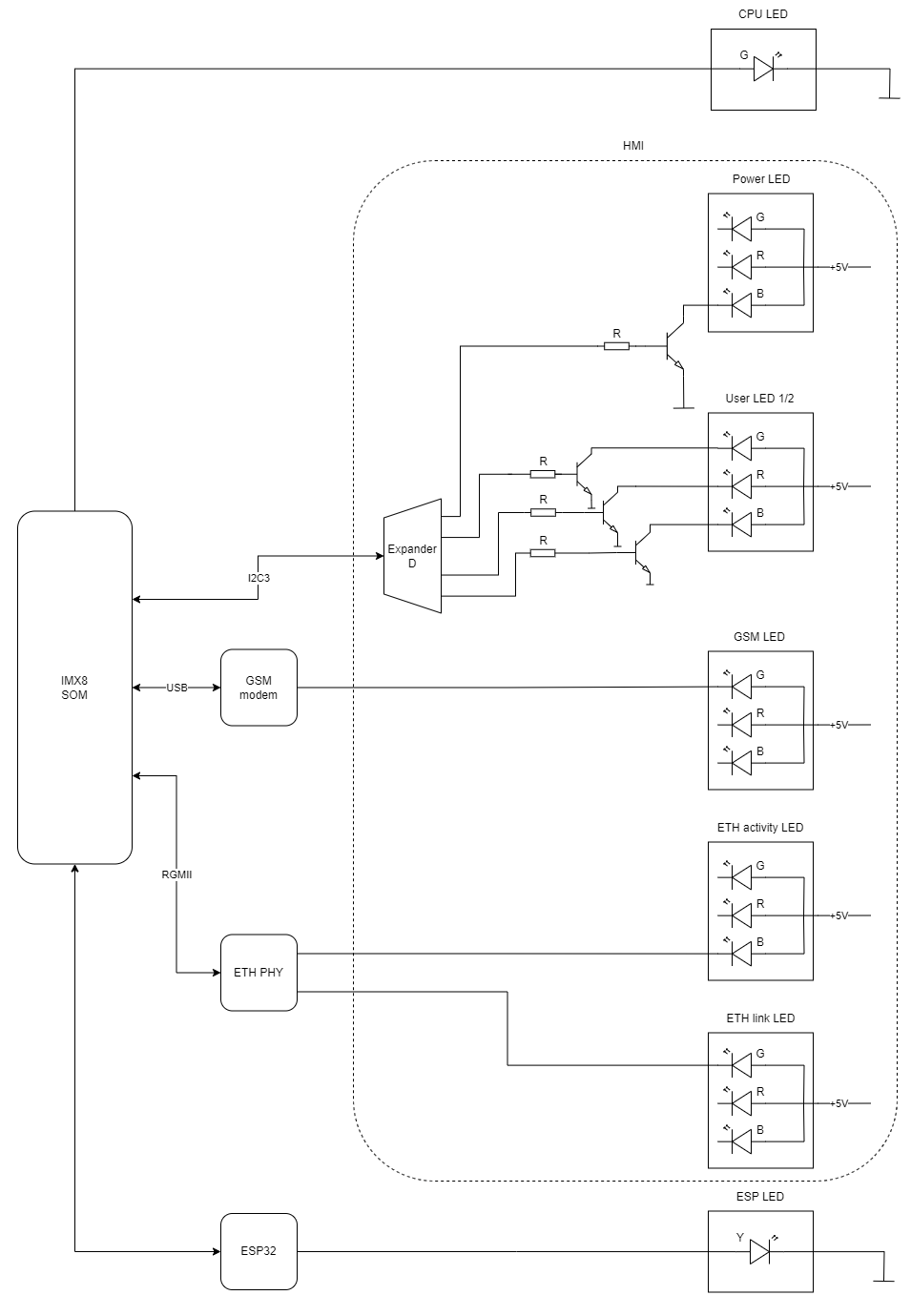
Signal LEDs
The device is equipped with 8 LEDs. 2 of these LEDs are placed on the mainboard, while the other 6 are on the front panel of the HMI board.
LEDs location
LEDs connections
|
Description |
User-space name |
Label |
| Power LED |
gpiochip6 9 |
"LED_5V" |
| CPU LED |
gpiochip0 3 |
"LED_MAINBOARD" |
|
User LED 1 G |
gpiochip6 10 |
"LED3_GREEN" |
|
User LED 1 R |
gpiochip6 5 |
"LED3_RED" |
|
User LED 1 B |
gpiochip6 12 |
"LED3_BLUE" |
|
User LED 2 G |
gpiochip6 13 |
"LED4_GREEN" |
|
User LED 2 R |
gpiochip6 11 |
"LED4_RED" |
|
User LED 2 B |
gpiochip6 15 |
"LED4_BLUE" |
LED connection diagram

ESP32 microcontroller
ESP LED is connected directly to the ESP32 microcontroller.
GSM
GSM LED is connected directly to the GSM modem.
ETHERNET
ETH activity LED and ETH link LED are connected directly to the ETHERNET physical layer.
Expander D
Power LED, User LED 1 and User LED2 are connected to the expander D which is connected to the CPU via the I2C3 interface.
OLED display
The device is equipped with a 0.87” black and white display with a resolution of 128x32 px.
OLED display placement
OLED device
Part number: SCE087002-V01
OLED connections table
|
OLED pin |
Description |
User-space name |
|
RES# |
RESET |
X |
|
SCL |
I2C3 clock |
X |
|
SDA |
I2C3 data |
X |
|
VCC |
OLED ON/OFF |
gpiochip6 14, "OLED_EN" |
OLED connections diagram

Expander D
The OLED display is connected to Expander D which is connected to the CPU via the I2C3 interface.
I2C3
The OLED display is directly connected to the CPU via the I2C3 interface.
Joystick
The device is equipped with a joystick for controlling its functions.
Placement
Device
Part number: INT-1500D
Connections table
|
Joystick signal |
Expander D pin |
User-space name |
Label |
|
Right |
20 |
gpiochip6 3 |
"JOY_RIGHT" |
|
Up |
18 |
gpiochip6 1 |
"JOY_UP" |
|
Left |
17 |
gpiochip6 0 |
"JOY_LEFT" |
|
Down |
19 |
gpiochip6 2 |
"JOY_DOWN" |
|
Push |
21 |
gpiochip6 4 |
"JOY_PUSH" |
Connection diagram

Expander D
Joystick is connected to the Expander D which is connected to the CPU via the I2C3 interface.
Reset button
The device has a reset button on the front panel.
Reset button location
Connections diagram








