Front Panel
{{@273#bkmrk-tiger-city-imx-embed}}
View of the front panel

Components of the front panel
- {{@135#bkmrk-dip-switch}}
- {{@135#bkmrk-signal-leds}}
- {{@135#bkmrk-oled-display}}
- {{@135#bkmrk-%C2%A0}}
- {{@135#bkmrk-reset-button}}
DIP switches
The device has DIP switches on the front panel which enable the control of various key functions such as:
- booting mode choice
- microUSB signal choice
- choosing Linux console or RS232 signal
- user-written code
DIP switches placement on the front panel
Switch options
|
Switch no. |
Positions |
Description |
|
1 |
OFF- eMMC boot ON - USB boot |
Boot select - switching between booting device |
|
2 |
2: OFF 3: OFF - SOM USB 2: ON 3: OFF - none 2: OFF 3: ON - UART4 (Linux console) 2: ON 3: ON - ESP UART |
USB select - microUSB signal choice |
|
3 |
||
|
4-5 |
Unassigned |
Currently not used |
|
6-8 |
OFF/ON |
User options |
Connections diagram

{{@136#bkmrk-expander-d}}
User-defined DIP switch options are connected to the expander D which is connected to the CPU via the I2C3 interface.
{{@133#bkmrk-usb1}}
The USB MUX select 1 and the USB MUX select 2 signals are connected to the multiplexer A associated with USB1.
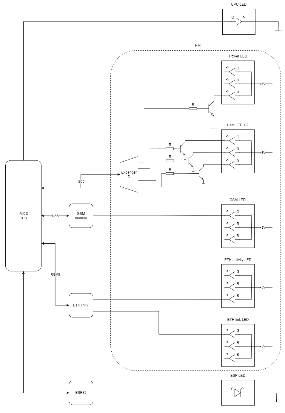
Signal LEDs
The device is equipped with 8 LEDs. 2 of these LEDs are placed on the mainboard, while the other 6 are on the front panel of the HMI board.
LEDs location
LEDs connections
|
Description |
User-space name |
| CPU LED |
gpiochip8 8 |
|
User LED 1 G |
gpiochip7 10 |
|
User LED 1 R |
gpiochip7 5 |
|
User LED 1 B |
gpiochip7 12 |
|
User LED 2 G |
gpiochip7 13 |
|
User LED 2 R |
gpiochip7 11 |
|
User LED 2 B |
gpiochip7 15 |
LEDs connection diagram

{{@166#bkmrk-esp32-microcontrolle}}
ESP LED is connected directly to the ESP32 microcontroller.
{{@133#bkmrk-%C2%A0-4}}
GSM LED is connected directly to the GSM modem.
{{@133#bkmrk-%C2%A0-3}}
ETH activity LED and ETH link LED are connected directly to the ETHERNET physical layer.
{{@136#bkmrk-expander-d}}
Power LED, User LED 1 and User LED2 are connected to the expander D which is connected to the CPU via the I2C3 interface.
OLED display
The device is equipped with a 0.87” black and white display with a resolution of 128x32 px.
OLED display placement
OLED device
Part number: SCE087002-V01
OLED connections table
|
OLED pin |
Description |
|
|
RES# |
RESET |
X |
|
SCL |
I2C3 clock |
X |
|
SDA |
I2C3 data |
X |
|
VCC |
OLED ON/OFF |
gpiochip7 14 |
OLED connections diagram

{{@136#bkmrk-expander-d}}
The OLED display is connected to Expander D which is connected to the CPU via the I2C3 interface.
{{@134#bkmrk-i2c4}}
The OLED display is directly connected to the CPU via the I2C3 interface.
Joystick
The device is equipped with a joystick for controlling its functions.
Placement
Device
Part number: INT-1500D
Connections table
|
Joystick signal |
Expander D pin |
|
|
Right |
20 |
gpiochip7 3 |
|
Up |
18 |
gpiochip7 1 |
|
Left |
17 |
gpiochip7 0 |
|
Down |
19 |
gpiochip7 2 |
|
Push |
21 |
gpiochip7 4 |
Connection diagram

{{@136#bkmrk-expander-d}}
Joystick is connected to the Expander D which is connected to the CPU via the I2C3 interface.
Reset button
The device has a reset button on the front panel.
Reset button location
Connections diagram







